產品中心product
產品中心
您現在所在位置:網站首頁>> 產品中心
MLS 外置式原點磁柵尺
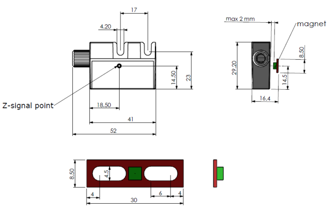
產品介紹MLS 外置式原點磁柵尺,原點可以安裝尺身旁邊2mm處任意位置,只需把磁塊對準磁頭上面的Reference指示位置即可,使用方便。 產品特點: 小結構 易于安裝 分辨率從1μm到100μm 高精度和重復性 螺旋和有線選項 測量高達100米 灰塵、油和營養不敏感 堅固的鋁體 IP67防護等級 產品用途: 加工中心 pvc切割機 木切割機 車床,銑床,鉆床,磨床 鈑金加工機床 大理石機械 焊機 折彎機 電火花機? 機器人/材料搬運? 玻璃加工機械等… 技術參數:
訂貨規格: ![]() 產品尺寸圖: ![]() 插腳連接: ![]() 在左邊的平板電腦中,給出了傳感器輸出信號的電纜顏色。如果控制電路適合于非輸出信號(/A,/B,/Z)的線路驅動傳感器,則必須將其添加到系統中。如果它不合適/A,/B,/Z信號電纜必須固定為單獨絕緣。別忘了這些邊緣也有電。
磁帶機和剖面系統,可與MLS 110閱讀器傳感器一起使用: ? PS1 Profile System ? PS2 Profile System ? B2 or B5 Magnetic Tape ![]() 其他插座連接: ![]() ![]() ![]() 上一個:沒有資料
下一個:沒有資料
|









