產品中心product
產品中心
您現在所在位置:網站首頁>> 產品中心
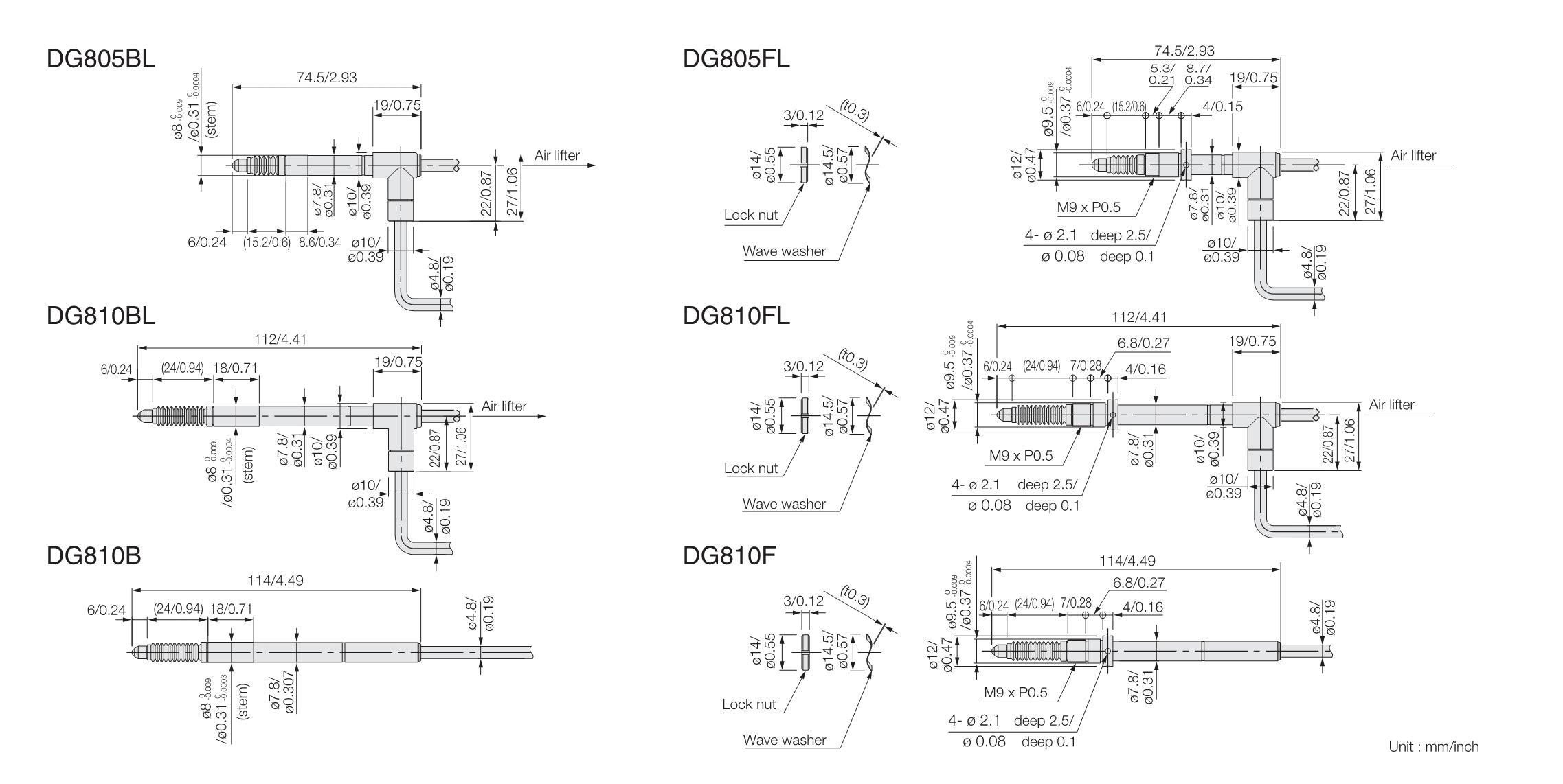
高精度探規DG810/805系列DG805BL/DG810FL
產品介紹簡單介紹: 日本索尼Magnescale高精度探規DG810/805系列 高精度,小型細條狀探規,適用安裝于各種機器,配用產品:MG20,LY71,LY72,LT30
產品特性: 日本索尼Magnescale高精度探規DG810/805系列 產品特點: 1.磁力式; 2.適用于各種工廠作業環境,耐油、水、灰塵、震動、沖擊能力強; 3.解析度:0.5μm; 4.精度:2μm; 5.量測范圍:5.2mm,10mm; 6.小型細箱條狀:Φ8mm(外直徑),74.5mm(DG805); 7.低量測力; 8.使用氣壓元件可垂直移動轉軸(DG805BL/FL,DG810BL/FL); 9.防塵保護套(標準件); 10.安裝容易,亦可選購法蘭型探規。
技術參數:
*1不包含線纜單元和電氣分割器單元。 *2可附裝加壓空氣元件的管件。 產品尺寸:
其它系列: |
||||||||||||||||||||||||||||||||||||||||||||||||||||||||||||||||||||||||||||||||||||||||||||||||||||||


