產品中心product
產品中心
您現在所在位置:網站首頁>> 產品中心
Magnescale磁性開關SET-B3/SET-K2
產品介紹簡單介紹: Magnescale磁柵尺MSS976R
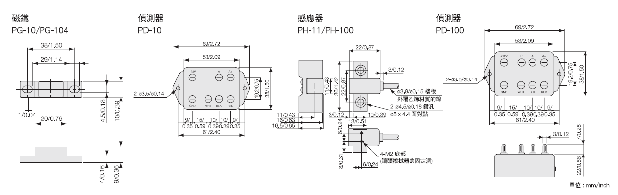
磁性開關SET-B3,SET-K2,精度2μm, 輸出信號模擬量(SET-B3),脈沖信號(SET-K2),SET-P15-1,SET-P15-2,SET-P15-3,SET-P16-1,PK15-1,,PK15-2,PK15-3,PK16-1,PD100,PG-10,PG-104,PH-11,PH-100,PH-500,PD-10,PG-1,MSA-3,PH-1,PG-9010,PG-9104。 產品特性: 產品特性: Magnescale磁柵尺MSS976R
適用于各類機床。 Magnescale磁性接近開關Magnescale原點開關Magnescale磁性開關
技術參數:
產品尺寸: ![]() 相關產品:
Magnescale(原SONY)相關產品
光柵尺|磁柵尺Magnescale
上一個:沒有資料
下一個:磁尺適配器 MT12-10
|








